| モデル番号 | OFD-15 | OFD-17 | OFD-19 |
|---|---|---|---|
| 画面の対角線 | 15 インチ | 17 インチ | 19 インチ |
| 最大解像度 | XGA (1024 X 768) | SXGA (1280 X 1024) | SXGA (1280 X 1024) |
| アクティブエリア (mm) | 304.128 (H) x 228.096 (V) | 337.92 (H) x 270.336 (V) | 376.32 (H) x 301.056 (V) |
| サポートカラー | 262K(6-bit) / 16.2M(8-bit)カラー | 16.7M colors(RGB 6-bit + Hi_FRC)カラー | 16.7M colors(RGB 6-bit + Hi_FRC)カラー |
| 画素ピッチ | 0.297 (H) x 0.297 (V) mm | 0.264 (H) x 0.264 (V) mm | 0.294 (H) x 0.294 (V) mm |
| 輝度 | 1,000 nits | 1,000 nits | 1,500 nits |
| コントラスト比 | 2000 : 1 (Typ.) | 2000 : 1 (Typ.) | 3000 : 1 |
| スキャン頻度 | 水平: 30 to 80 KHz 垂直 : 50 to 75 Hz |
水平: 30 to 80 KHz 垂直 : 50 to 75 Hz |
水平: 30 to 80 KHz 垂直 : 50 to 75 Hz |
| 視野角 | 160°/140° (H/V) | 170°/165° (H/V) | 160°/160° (H/V) |
| 応答時間 | 8 ms (tf/tr) | 5 ms (tf/tr) | 5 ms (tf/tr) |
| 入力信号 | R/G/B アナログ | R/G/B アナログ | R/G/B アナログ |
| 信号タイプ | 15ピン D-sub VGAのみ | 15ピン D-sub VGAのみ | 15ピン D-sub VGAのみ |
| 信号オプション | VGA + DVI或いはVGA + Video + S-Video或いはVGA+HDMI入力 | VGA + DVI或いはVGA + Video + S-Video或いはVGA+HDMI入力 | VGA + DVI + HDMI / VGA + Video + S-Video複合入力 |
| 15ピン D-sub VGAのみ | DDC 2B | DDC 2B | DDC 2B |
| OSDコントロール/ボタン | Power, Auto, Menu / Enter, Up, Down | Power, Auto, Menu / Enter, Up, Down | Power, Auto, Menu / Enter, Up, Down |
| 消費電力 | 30 W (Max.) /スタンバイ2W未満 | 35 W (Max.) /スタンバイ2W未満 | 30 W (Max.) /スタンバイ2W未満 |
| パワー管理 | VESA DPMS | VESA DPMS | VESA DPMS |
| 電源供給 | 入力: DC 12V/3.0A | 入力: DC 12V/4.0A或いはDC 24V(オプション) | 入力: DC 12V/4.0A或いはDC 24V(オプション) |
| タッチスクリーンオプション | 5W抵抗膜アンチグレア/表面容量性 | 5W抵抗膜アンチグレア/表面容量性 | 5W抵抗膜アンチグレア/表面容量性 |
| 機械 | |||
| 構成 | 金属 | アルミ&ワニス | アルミ&ワニス |
| フロントベゼル | オプション | オプション | オプション |
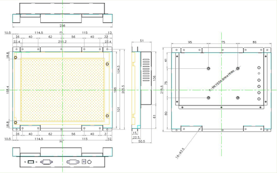
| 寸法 | 388.7(W) x 300 (H) x 53 (D) (mm) | 482 (W) X 308 (H) x 54 (D) (mm) | 482 (W) X 308 (H) x 54 (D) (mm) |
| 取り付けオプション | リアマウント、ウォールマウント | パネルマウント、リアマウント、ウォールマウント | パネルマウント、リアマウント、ウォールマウント |
| 重量 | 4 KGs | 5.5 KGs | 5.5 KGs |
| 環境 | |||
| 作動温度 | -20°C~70°C | -20°C~70°C | 0°C~50°C |
| 保管温度 | -30°C~85°C | -30°C~80°C | -20°C~60°C |
| EMC認証 | CE , FCC | CE , FCC | CE , FCC |
| 相対湿度 | 85%未満 | 85%未満 | 85%未満 |
| RoHS指令準拠 | RoHS指令準拠 | RoHS指令準拠 | RoHS指令準拠 |
| 図面 | 寸法 I/O |
- | - |